Producten
HOME > Producten
LMZW9-0.66 Stroomtransformator
  • LMZW9-0.66 StroomtransformatorLMZW9-0.66 Stroomtransformator
  • LMZW9-0.66 StroomtransformatorLMZW9-0.66 Stroomtransformator

LMZW9-0.66 Stroomtransformator

Koop de hoogwaardige LMZW9-0.66 stroomtransformator van de Chinese fabrikant Comewill. Deze transformator is speciaal ontworpen voor 50 Hz AC-circuits met een vermogen van 0,66 kV en lager en voldoet aan de kritische eisen voor nauwkeurige stroombewaking en energiemeting in de industriële en bouwsectoren voor energiedistributie. De unit maakt gebruik van een gietproces van onverzadigde hars en beschikt over een robuuste structuur met uitstekende vochtbestendigheid en thermische stabiliteit, waardoor de onderhoudskosten gedurende de gehele levenscyclus effectief worden verlaagd.
Als professionele fabrikant van stroomapparatuur in China houdt Comewill zich strikt aan de IEC 61869-norm, waardoor de stabiele en betrouwbare prestaties van de LMZW9-0.66 stroomtransformator worden gegarandeerd. Het vast gemonteerde ontwerp vereenvoudigt de bedrading ter plaatse, waardoor een naadloze integratie in verschillende laagspanningsstroomdistributiesystemen mogelijk is, of het nu gaat om upgrades of nieuwbouwprojecten.

Technische parameter van LMZW-0.66 huidige transformator:

Nominale frequentie 50/60 Hz
Nominale spanning 0,6 kV of 0,66 kV
Hoogste spanning voor apparatuur 0,72 kV
Stroomfrequentie is bestand tegen spanning 3kV
Technische standaard komt overeen met IEC60044-1:2003 of IEEE STD C57.13-2008
Type Geschatte primaire stroom (A) Nominaal vermogen VA(cosФ=0,8lag)
0,2S 0.2 0,5S 0.5 1
LMZ-0,66 75-100 10-3.75 10-3.75 10-3.75 10-3,7510-3,75 10-3.75
LMZ-0,66 150-300 10-3.75 10-3.75 10-3.75 10-3.75 10-3.75
LMZ-0,66 400-750 10-3.75 10-3.75 10-3.75 10-3.75 10-3.75
LMZ-0,66 1000-1500 10-3.75 10-3.75 10-3.75 10-3.75 10-3.75


Producteigenschappen

1. Stabiele prestaties

De LMZW9-0.66 stroomtransformator van Comewill voldoet aan de normen IEC 61869, IEC60044-1 en IEEE C57.13

Nauwkeurige stroommeting over een breed scala aan primaire stromen (75–1500A)

Nominaal uitgangsvermogen van 10–3,75 VA (cosφ=0,8 lag) zorgt voor een consistent signaal voor meting en beveiliging


2. Binnenontwerp met vaste montage

Vereenvoudigt de bedrading en integratie in laagspanningsschakelapparatuur en -panelen

Vermindert installatiefouten en onderhoudsvereisten

Compact ontwerp maximaliseert het gebruik van paneelruimte


3. Groot operationeel bereik

Bedrijfstemperatuur: -25℃ tot +55℃

Relatieve vochtigheid: ≤90%, geen condensatie

Hoogte: ≤1000 meter boven zeeniveau

Verontreinigingsvrije, stofvrije en corrosieve gasvrije binnenomgevingen


4. Hoge veiligheid en naleving

Stroomfrequentie bestand tegen spanning: 3 kV

Nominale spanning: 0,6–0,66 kV, met een maximale apparatuurspanning van 0,72 kV

Ontworpen voor langdurig veilig gebruik in laagspanningsdistributienetwerken


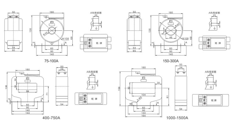
Overzichts- en installatieafmetingen

Welkom (Wenzhou) Electric Co., Ltd


Veelgestelde vragen


Vraag 1: Bent u een fabriek of handelsonderneming?

A1: Wij zijn een fabriek, waardoor we direct zeer concurrerende prijzen kunnen aanbieden.


Vraag 2: Wat is uw kwaliteitscontroleproces?

A2: Wij zorgen ervoor dat alle producten vóór verzending een 100% inspectie ondergaan.


Vraag 3: Wanneer kan ik een prijsopgave verwachten?

A3: We bieden doorgaans binnen 24 uur na ontvangst van uw aanvraag een offerte aan.


Vraag 4: Hoe kan ik een monster krijgen?

A4: U kunt een monster kopen, inclusief de monsterkosten en verzendkosten. De kosten voor expresverzending zijn afhankelijk van de hoeveelheid en het gewicht van de monsters.


Q5: Wat zijn de verzendkosten?

A5: Verzendkosten variëren afhankelijk van de bestemmingshaven.


Hottags: LMZW9-0.66 stroomtransformator, China, fabrikant, leverancier, fabriek, groothandel, aangepast, op voorraad, gemaakt in China, lage prijs, kwaliteit
Stuur onderzoek
Contact informatie
Stuur een aanvraag naar Comewill voor schakelapparatuur, vacuümstroomonderbrekers, stroomtransformatoren. Ontvang offertes op maat, lage prijzen of deskundige ondersteuning van ons Chinese fabrieksteam.
X
We gebruiken cookies om u een betere browse-ervaring te bieden, het siteverkeer te analyseren en de inhoud te personaliseren. Door deze site te gebruiken, gaat u akkoord met ons gebruik van cookies. Privacybeleid
Afwijzen Accepteren